| штат: | |
|---|---|
| Количество: | |
Так фланце
SDFL

Производившийся для быстрой установки и устойчивости к коррозии , это EN 1092-1 DN15 PN10 из нержавеющей стали превосходит фланки в системах низкого давления в рамках пищи, напитков и фармацевтических секторов. Его скользящая конструкция (тип 11) обеспечивает быстрое выравнивание с метрическими трубами, в то время как F304 из нержавеющей стали (1,4301)-материал с 18% хромом и 8% никеля-с длительностью долгосрочной прочности в легкой коррозионной среде, соответствующих строгим стандартам гигиены.
Параметр | Подробности |
Стандартный | EN 1092-1 Тип 11 (скольжение) |
Материал | F304 из нержавеющей стали (1,4301, 18CR-8NI, 515 МПа Минимальная прочность на растяжение) |
Рейтинг давления | PN10 (1,0 МПа, идеально подходит для гигиенических систем низкого давления) |
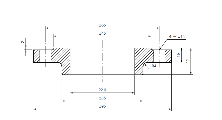
Dimensions | OD: 95 мм, кружок болта: 65 мм, толщина: 12 мм, идентификатор трубы: 22,8 мм (для 21,3 мм трубки OD) |
Отверстия для болтов | 4x M10 (диаметр круга высоты 65 мм, поток M10x1.5) |
Тип печати | Приподнятая поверхность (RF, высота 1,6 мм, RA ≤ 1,6 мкм отделка) |
Температурная диапазон | -20 ° C до 400 ° C (совместимо с чисткой CIP при 80–95 ° C) |
Выравнивание без инструментов : Slip-On Design подходит для ISO 336 DN15 труб (OD 21,3 мм) с 1,5 мм радиального зазора, время установки на 40% по сравнению с альтернативами сварной вырезы-критической для чувствительных времен гигиенических стартапов.
Пассивная коррозионная устойчивость : слой оксида хрома F304 сопротивляется PH 4–8 средах , включая молочные кислоты (молочная кислота, PH 4,5) и чистящие пивоваренные средства (каустическая сода, pH 12), предотвращая яму в течение 15+ лет.
Гигиеническая поверхностная отделка : RA ≤ 1,6 мкм полированная поверхность устраняет бактериальные точки гавани, соответствующие стандартам FDA 21 CFR 177.2600 и ЕС 10/2011 для пищевого контакта.
Соответствие CE-маркировки : сертифицировано на EN 1092-1 и PED 2014/68/EU (модуль B+D), обеспечивая безопасность в оборудовании под давлением для фармацевтических систем водоснабжения.
Переработка пищевых продуктов : соединяет линии распыления CIP (чистого на месте) на молочных растениях, выходящие из циклов чистки азотной кислоты 85 ° C (концентрация 1–2%) без коррозии.
Фармацевтические препараты : интегрируется в стерильную воду для контуров впрыска (WFI) с дополнительной электрополированием Стандарты частиц.
Химическое дозирование : управляет мягкими щелочными растворами (например, 5% гидроксида натрия) в системах регулировки рН сточных вод, избегая выщелачивания металлов в потоки процессов.
В: требует ли этот фланец сварка?
A: Да. Выполните односторонние сварные швы (длину 3 мм) как по внутренним, так и на внешнем краях, используя металл наполнителя ER308L, на EN 1011-3 для гигиены из нержавеющей стали.
Q: Можно ли использовать его с трубами ASME?
A: Да. Пара с DN15 до NPS 1/2 'Редакторы (EN 1092-1 к ASME B16.5) с 21,3 мм в 21,3 мм для смешанных систем.
В: Какой крутящий момент должен быть применен к болтам?
A: Крутящий момент M10 A2-70 Болты из нержавеющей стали до 35–40 Н · м с использованием калиброванного крутящего ключа, после перекрестной последовательности, чтобы обеспечить равномерное сжатие прокладки.

Производившийся для быстрой установки и устойчивости к коррозии , это EN 1092-1 DN15 PN10 из нержавеющей стали превосходит фланки в системах низкого давления в рамках пищи, напитков и фармацевтических секторов. Его скользящая конструкция (тип 11) обеспечивает быстрое выравнивание с метрическими трубами, в то время как F304 из нержавеющей стали (1,4301)-материал с 18% хромом и 8% никеля-с длительностью долгосрочной прочности в легкой коррозионной среде, соответствующих строгим стандартам гигиены.
Параметр | Подробности |
Стандартный | EN 1092-1 Тип 11 (скольжение) |
Материал | F304 из нержавеющей стали (1,4301, 18CR-8NI, 515 МПа Минимальная прочность на растяжение) |
Рейтинг давления | PN10 (1,0 МПа, идеально подходит для гигиенических систем низкого давления) |
Dimensions | OD: 95 мм, кружок болта: 65 мм, толщина: 12 мм, идентификатор трубы: 22,8 мм (для 21,3 мм трубки OD) |
Отверстия для болтов | 4x M10 (диаметр круга высоты 65 мм, поток M10x1.5) |
Тип печати | Приподнятая поверхность (RF, высота 1,6 мм, RA ≤ 1,6 мкм отделка) |
Температурная диапазон | -20 ° C до 400 ° C (совместимо с чисткой CIP при 80–95 ° C) |
Выравнивание без инструментов : Slip-On Design подходит для ISO 336 DN15 труб (OD 21,3 мм) с 1,5 мм радиального зазора, время установки на 40% по сравнению с альтернативами сварной вырезы-критической для чувствительных времен гигиенических стартапов.
Пассивная коррозионная устойчивость : слой оксида хрома F304 сопротивляется PH 4–8 средах , включая молочные кислоты (молочная кислота, PH 4,5) и чистящие пивоваренные средства (каустическая сода, pH 12), предотвращая яму в течение 15+ лет.
Гигиеническая поверхностная отделка : RA ≤ 1,6 мкм полированная поверхность устраняет бактериальные точки гавани, соответствующие стандартам FDA 21 CFR 177.2600 и ЕС 10/2011 для пищевого контакта.
Соответствие CE-маркировки : сертифицировано на EN 1092-1 и PED 2014/68/EU (модуль B+D), обеспечивая безопасность в оборудовании под давлением для фармацевтических систем водоснабжения.
Переработка пищевых продуктов : соединяет линии распыления CIP (чистого на месте) на молочных растениях, выходящие из циклов чистки азотной кислоты 85 ° C (концентрация 1–2%) без коррозии.
Фармацевтические препараты : интегрируется в стерильную воду для контуров впрыска (WFI) с дополнительной электрополированием Стандарты частиц.
Химическое дозирование : управляет мягкими щелочными растворами (например, 5% гидроксида натрия) в системах регулировки рН сточных вод, избегая выщелачивания металлов в потоки процессов.
В: требует ли этот фланец сварка?
A: Да. Выполните односторонние сварные швы (длину 3 мм) как по внутренним, так и на внешнем краях, используя металл наполнителя ER308L, на EN 1011-3 для гигиены из нержавеющей стали.
Q: Можно ли использовать его с трубами ASME?
A: Да. Пара с DN15 до NPS 1/2 'Редакторы (EN 1092-1 к ASME B16.5) с 21,3 мм в 21,3 мм для смешанных систем.
В: Какой крутящий момент должен быть применен к болтам?
A: Крутящий момент M10 A2-70 Болты из нержавеющей стали до 35–40 Н · м с использованием калиброванного крутящего ключа, после перекрестной последовательности, чтобы обеспечить равномерное сжатие прокладки.