| штат: | |
|---|---|
| Количество: | |
PL фланец
SDFL

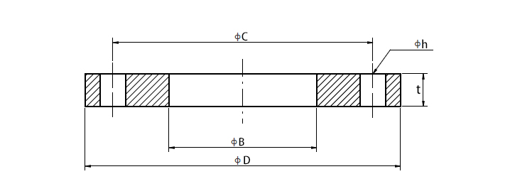
| Номинальный размер | Внешний диаметр | Внутренний диаметр | Центральный диаметр круга | Фланец общая высота | Диаметр отверстия болта | Количество отверстий для болтов |
| DN | D | B | C | t | h | |
| 10а | 90 | 17.8 | 65 | 12 | 15 | 4 |
| 15A | 95 | 22.2 | 70 | 12 | 15 | 4 |
| 20А | 100 | 27.7 | 75 | 14 | 15 | 4 |
| 25а | 125 | 34.5 | 90 | 14 | 19 | 4 |
| 32а | 135 | 43.2 | 100 | 16 | 19 | 4 |
| 40a | 140 | 49.1 | 105 | 16 | 19 | 4 |
| 50а | 155 | 61.1 | 120 | 16 | 19 | 4 |
| 65а | 175 | 77.1 | 140 | 18 | 19 | 4 |
| 80A | 185 | 90 | 150 | 18 | 19 | 8 |
| 90A | 195 | 102.6 | 160 | 18 | 19 | 8 |
| 100А | 210 | 115.4 | 175 | 18 | 19 | 8 |
| 125а | 250 | 141.2 | 210 | 20 | 23 | 8 |
| 150a | 280 | 166.6 | 240 | 22 | 23 | 8 |
| 175a | 305 | 192.1 | 265 | 22 | 23 | 12 |
| 200a | 330 | 218 | 290 | 22 | 23 | 12 |
| 225а | 350 | 243.7 | 310 | 22 | 23 | 12 |
| 250a | 400 | 269.5 | 355 | 24 | 25 | 12 |
| 300а | 445 | 321 | 400 | 24 | 25 | 16 |
| 350а | 490 | 358.1 | 445 | 26 | 25 | 16 |
| 400а | 560 | 409 | 510 | 28 | 27 | 16 |
| 450а | 620 | 460 | 565 | 30 | 27 | 20 |
| 500а | 675 | 511 | 620 | 30 | 27 | 20 |
| 550а | 745 | 562 | 680 | 32 | 33 | 20 |
| 600а | 795 | 613 | 730 | 32 | 33 | 24 |
| 650а | 845 | 664 | 780 | 34 | 33 | 24 |
| 700а | 905 | 715 | 840 | 34 | 33 | 24 |
| 750а | 970 | 766 | 900 | 36 | 33 | 24 |
| 800а | 1020 | 817 | 950 | 36 | 33 | 28 |
| 850а | 1070 | 868 | 1000 | 36 | 33 | 28 |
| 900а | 1120 | 919 | 1050 | 38 | 33 | 28 |
| 1000а | 1235 | 1021 | 1160 | 40 | 39 | 28 |
| 1100а | 1345 | 1122 | 1270 | 42 | 39 | 28 |
| 1200а | 1465 | 1224 | 1380 | 44 | 39 | 32 |
| 1350а | 1630 | 1376 | 1540 | 48 | 45 | 36 |
| 1500а | 1795 | 1529 | 1700 | 50 | 45 | 40 |
Приложения
Статические системы низкого давления:
(1) Водяные резервуары, вентиляционные протоки, воздуховоды HVAC (≤Class 150).
(2) Линии охлаждающей жидкости низкого давления в машине.
(3) Некритические дренажные трубы.
Проекты, управляемые стоимостью:
(1) Бюджетная инфраструктура (например, сельскохозяйственное орошение).
(2) Временное тестирование трубопровода или прототипа.
Приложения без давления:
(1) Забрасывание концов трубы (функция слепого фланца).
(2) Крышки оборудования (например, фильтры, резервуары).
Среда с низким содержанием риска:
Воздух, вода, инертные газы в условиях окружающей среды.

| Номинальный размер | Внешний диаметр | Внутренний диаметр | Центральный диаметр круга | Фланец общая высота | Диаметр отверстия болта | Количество отверстий для болтов |
| DN | D | B | C | t | h | |
| 10а | 90 | 17.8 | 65 | 12 | 15 | 4 |
| 15A | 95 | 22.2 | 70 | 12 | 15 | 4 |
| 20А | 100 | 27.7 | 75 | 14 | 15 | 4 |
| 25а | 125 | 34.5 | 90 | 14 | 19 | 4 |
| 32а | 135 | 43.2 | 100 | 16 | 19 | 4 |
| 40a | 140 | 49.1 | 105 | 16 | 19 | 4 |
| 50а | 155 | 61.1 | 120 | 16 | 19 | 4 |
| 65а | 175 | 77.1 | 140 | 18 | 19 | 4 |
| 80A | 185 | 90 | 150 | 18 | 19 | 8 |
| 90A | 195 | 102.6 | 160 | 18 | 19 | 8 |
| 100А | 210 | 115.4 | 175 | 18 | 19 | 8 |
| 125а | 250 | 141.2 | 210 | 20 | 23 | 8 |
| 150a | 280 | 166.6 | 240 | 22 | 23 | 8 |
| 175a | 305 | 192.1 | 265 | 22 | 23 | 12 |
| 200a | 330 | 218 | 290 | 22 | 23 | 12 |
| 225а | 350 | 243.7 | 310 | 22 | 23 | 12 |
| 250a | 400 | 269.5 | 355 | 24 | 25 | 12 |
| 300а | 445 | 321 | 400 | 24 | 25 | 16 |
| 350а | 490 | 358.1 | 445 | 26 | 25 | 16 |
| 400а | 560 | 409 | 510 | 28 | 27 | 16 |
| 450а | 620 | 460 | 565 | 30 | 27 | 20 |
| 500а | 675 | 511 | 620 | 30 | 27 | 20 |
| 550а | 745 | 562 | 680 | 32 | 33 | 20 |
| 600а | 795 | 613 | 730 | 32 | 33 | 24 |
| 650а | 845 | 664 | 780 | 34 | 33 | 24 |
| 700а | 905 | 715 | 840 | 34 | 33 | 24 |
| 750а | 970 | 766 | 900 | 36 | 33 | 24 |
| 800а | 1020 | 817 | 950 | 36 | 33 | 28 |
| 850а | 1070 | 868 | 1000 | 36 | 33 | 28 |
| 900а | 1120 | 919 | 1050 | 38 | 33 | 28 |
| 1000а | 1235 | 1021 | 1160 | 40 | 39 | 28 |
| 1100а | 1345 | 1122 | 1270 | 42 | 39 | 28 |
| 1200а | 1465 | 1224 | 1380 | 44 | 39 | 32 |
| 1350а | 1630 | 1376 | 1540 | 48 | 45 | 36 |
| 1500а | 1795 | 1529 | 1700 | 50 | 45 | 40 |
Приложения
Статические системы низкого давления:
(1) Водяные резервуары, вентиляционные протоки, воздуховоды HVAC (≤Class 150).
(2) Линии охлаждающей жидкости низкого давления в машине.
(3) Некритические дренажные трубы.
Проекты, управляемые стоимостью:
(1) Бюджетная инфраструктура (например, сельскохозяйственное орошение).
(2) Временное тестирование трубопровода или прототипа.
Приложения без давления:
(1) Забрасывание концов трубы (функция слепого фланца).
(2) Крышки оборудования (например, фильтры, резервуары).
Среда с низким содержанием риска:
Воздух, вода, инертные газы в условиях окружающей среды.